
The DSY-XGN-12 solid insulated switchgear has introduced advanced production equipment and manufacturing technology to enable localized production, greatly reducing manufacturing costs and shortening delivery times. Since its launch, it has been highly praised by users.
Overview:
Since the 1990s, with the continuous acceleration of urbanization and improvements in power supply reliability, urban overhead lines have gradually been replaced by underground cables, and indoor switching stations have been gradually replaced by outdoor switching stations. Fully insulated, touchable, flood-resistant, compact, and maintenance-free ring network switchgear has developed rapidly. It is now widely used in high-reliability power distribution systems such as urban commercial centers, industrial zones, airports, electrified railways, and highways. This equipment can be used independently indoors and outdoors or integrated into prefabricated substations.
The DSY-XGN-12 solid insulated switchgear has introduced advanced production equipment and manufacturing technology to enable localized production, greatly reducing manufacturing costs and shortening delivery times. Since its launch, it has been highly praised by users.
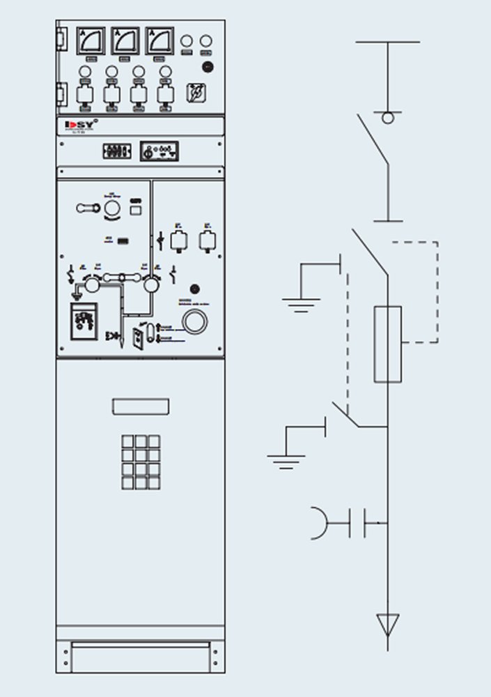
Switchgaers Structure:

Product Features:
Main technical parameters of solid insulated switchgear

Operating Environment:
Basic Switchgear Module Introduction
L Switchgear: Load switch cabinet with earthing switch
Adopts vacuum load switch + three-position isolating switch combination mode, which is mainly used for the connection, branching and control of the incoming and outgoing lines of the ring network cable line. A reliable mechanical interlock is set between the vacuum load switch and the isolating switch to prevent misoperation.
![]() |
Standard configuration and features: 630A busbar Vacuum load switch Manual operating mechanism of vacuum load switch Three-position disconnector Manual operating mechanism of three-position disconnector Position indicator of load switch and three-position disconnector Capacitive voltage indicator (with phase test hole) Padlocking device Switch equipment body Grounding busbar Operating handle Cable connection bushingOptional configuration and features: Electric operating mechanism of vacuum load switch Short circuit and grounding fault indicator Separable connector (cable connector) Lightning arrester Live grounding locking device for incoming line Key mechanical interlocking device Ring current transformer Auxiliary switch: |
CB Switchgear: vacuum circuit breaker unit
Using vacuum circuit breaker + three-position disconnector combination, is mainly used for the control, connection, branching and protection of cable lines and the control and protection of large-capacity transformers. A reliable mechanical interlock is set between the vacuum circuit breaker and the disconnector to ensure that the circuit breaker closes the load current. The circuit breaker unit is equipped with a current transformer and a digital protection relay, with unparalleled safety protection functions.
![]() |
Standard configuration and features: 630A busbar Vacuum switch Electric operating mechanism for vacuum switch Three-position disconnector Manual operating mechanism for three-position disconnector Position indicator for vacuum switch and three-position disconnector Capacitive voltage indicator (with phase test hole) Padlocking device Switchgear body Grounding busbar Operating handle Cable connection bushing Current transformer (special for protection) Digital relay protection deviceOptional configuration and features: Short circuit and ground fault indicator Separable connector (cable connector) Lightning arrester Live grounding locking device for incoming line Key mechanical interlocking device Ring current transformer and meter Auxiliary switch: |
F Switchgear– Combined electrical unit
mainly used for the control and protection of small and medium-sized distribution transformers.
![]() |
Standard configuration and features: 630A busbar Vacuum load switch Manual operating mechanism of vacuum load switch Three-position disconnector/earthing switch at the beginning and end of fuse Manual operating mechanism of three-position disconnector/earthing switch at the beginning and end of fuse Load switch and earthing switch position indicator Capacitive voltage indicator (with core phase test hole) Padlocking device Switch equipment body Grounding busbar Operating handle Cable connection sleeve Fuse cylinderOptional configuration and features: Electric operating mechanism of vacuum load switch Short circuit and ground fault indicator Detachable connector (cable connector) Lightning arrester Key mechanical interlocking device High voltage current limiting fuse Ring current transformer and meter |
If you didn’t know which switchgear system that used to your present project, it’s time to speak to our Industry Experts-Kimball. We’re glad to answer any questions you may have!
”From planning to delivery, it has been a smooth and gratifying transaction. The Dongshenyuan Electric team is quickly responsive, and the quality of DSY Switchgear are top-grade! In the end, they deliver as promised, and more. We look forward to a long-term partnership with them.”
Manufacturer Of Switchgear For Power Distribution and Electricity Generation System In China for 20 years
© 2023 Migor Template Kit – All rights reserved.
Download our catalog to see all products and data sheets, the catalog sheet will be automatically sent to your email address.
*We respect your confidentiality and all information is protected.